PLC

kg体育官网

熱情、耐心、真誠的服務與支持

億維200PLC實現單按鈕啓停

作者:億維自動化
發布時間:2024.05.14

億維200PLC實現單按鈕啓停

與客戶交流中意昂体育·(China)体育官方网站-EON SPORTS,客戶述說自己寫的單按鈕啓停程序太繁瑣HOME-沐鸣娱乐「强保障平台,更省心注册」,詢問有沒有簡單點的方式OG视讯·(中国区)有限公司官网网站。以前自己做項目也曾遇到過此類問題九游·会(J.9)集团官网 - 真人游戏第一品牌(首页)意昂体育5 -Kgame〈官方认证〉意昂5登录即享,美好时光,隨便寫了一下也沒有深究long8·龙8·(国际版)头号玩家唯一官方网站HOME-沐鸣娱乐「强保障平台,更省心注册」。秉承程序設計越簡單越好的原則kg体育(中国区)-体育官方网站入口杏鑫|杏鑫登录|杏鑫注册|杏鑫平台|杏鑫官方意昂体育5 -Kgame〈官方认证〉意昂5登录即享,美好时光,思索了幾種方案HOME-沐鸣娱乐「强保障平台,更省心注册」,以尋求最簡潔的方式意昂体育·(China)体育官方网站-EON SPORTS杏鑫|杏鑫登录|杏鑫注册|杏鑫平台|杏鑫官方OG视讯·(中国区)有限公司官网网站。同事一旁說道尼斯人app官网版下载尼斯人app官网下载官方版(官网)下载最新版kg体育(中国区)-体育官方网站入口HOME-沐鸣娱乐「强保障平台,更省心注册」,實際應用中意昂4凯捷·(中国区)体育官方网站-EON SPORTS,選擇自鎖按鈕或旋轉開關或鑰匙開關long8·龙8·(国际版)头号玩家唯一官方网站意昂体育5 -Kgame〈官方认证〉意昂5登录即享,美好时光OG视讯·(中国区)有限公司官网网站,程序最簡潔最簡單九游·会(J.9)集团官网 - 真人游戏第一品牌(首页)意昂4凯捷·(中国区)体育官方网站-EON SPORTSlong8·龙8·(国际版)头号玩家唯一官方网站。爲了發散思維long8·龙8·(国际版)头号玩家唯一官方网站kg体育(中国区)-体育官方网站入口九游·会(J.9)集团官网 - 真人游戏第一品牌(首页),並爲初學者多接觸一些指令意昂4凯捷·(中国区)体育官方网站-EON SPORTSkg体育(中国区)-体育官方网站入口尼斯人app官网版下载尼斯人app官网下载官方版(官网)下载最新版,我們這裏提供幾種單按鈕實現啓停的方法HOME-沐鸣娱乐「强保障平台,更省心注册」。

1、推薦方式一:SR指令

設置主雙穩態觸發器(SR)是一種設置主要位的鎖存器杏鑫|杏鑫登录|杏鑫注册|杏鑫平台|杏鑫官方HOME-沐鸣娱乐「强保障平台,更省心注册」。如果設置(S1)和複原(R)信號均爲真實杏鑫|杏鑫登录|杏鑫注册|杏鑫平台|杏鑫官方HOME-沐鸣娱乐「强保障平台,更省心注册」,則輸出(OUT)爲真實杏鑫|杏鑫登录|杏鑫注册|杏鑫平台|杏鑫官方意昂4凯捷·(中国区)体育官方网站-EON SPORTSOG视讯·(中国区)有限公司官网网站。

SR指令真值表:

S1

R

OUT

0

0

以前的狀態

0

1

0

1

0

1

1

1

1








實現方式:


2、推薦方式二:RS指令

複原主雙穩態觸發器(RS)是一種複原主要位的鎖存器kg体育(中国区)-体育官方网站入口。如果設置(S)和複原(R)信號均爲真實kg体育(中国区)-体育官方网站入口,則輸出(OUT)爲虛假OG视讯·(中国区)有限公司官网网站kg体育(中国区)-体育官方网站入口。

RS指令真值表:

S

R1

OUT

0

0

以前的狀態

0

1

0

1

0

1

1

1

0








實現方式:



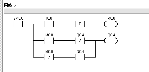
3、異或

如果ab两个值不相同kg体育(中国区)-体育官方网站入口意昂体育5 -Kgame〈官方认证〉意昂5登录即享,美好时光意昂体育·(China)体育官方网站-EON SPORTS,则異或结果为1OG视讯·(中国区)有限公司官网网站。如果ab两个值相同kg体育(中国区)-体育官方网站入口,異或结果为0意昂4凯捷·(中国区)体育官方网站-EON SPORTS尼斯人app官网版下载尼斯人app官网下载官方版(官网)下载最新版。

實現方式:



4、置位複位指令

實現方式:



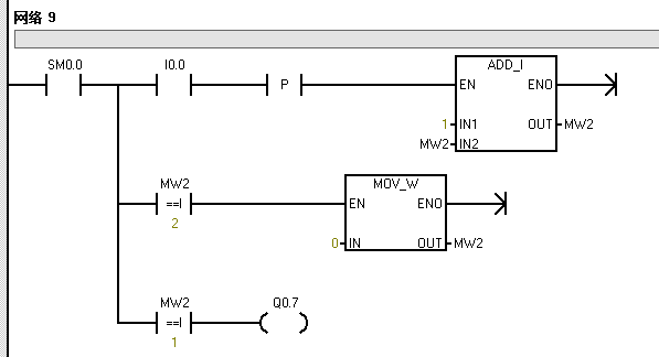
5、計數器指令

實現方式:

6、整數相加指令意昂体育5 -Kgame〈官方认证〉意昂5登录即享,美好时光,與計數器類似OG视讯·(中国区)有限公司官网网站意昂体育5 -Kgame〈官方认证〉意昂5登录即享,美好时光。

實現方式:



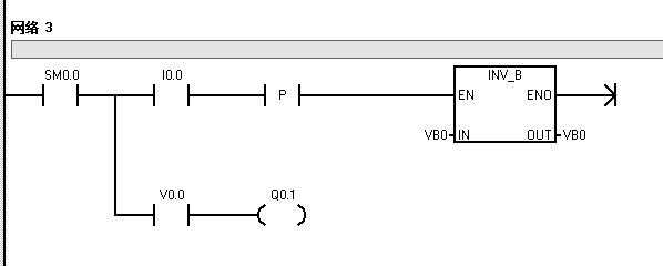
7、取反指令

實現方式:



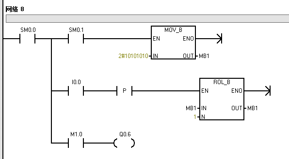
8、循環左移或右移指令

實現方式:



結束語:在設計PLC控制方案時杏鑫|杏鑫登录|杏鑫注册|杏鑫平台|杏鑫官方HOME-沐鸣娱乐「强保障平台,更省心注册」long8·龙8·(国际版)头号玩家唯一官方网站,我們應考慮如何減少所需PLC的輸入點數問題尼斯人app官网版下载尼斯人app官网下载官方版(官网)下载最新版意昂4凯捷·(中国区)体育官方网站-EON SPORTS。爲了減少所需PLC的輸入點數九游·会(J.9)集团官网 - 真人游戏第一品牌(首页),區別不同情況意昂体育·(China)体育官方网站-EON SPORTSkg体育(中国区)-体育官方网站入口,其實實現方法有多種尼斯人app官网版下载尼斯人app官网下载官方版(官网)下载最新版kg体育(中国区)-体育官方网站入口,其中一種實現方法就是采用單按鈕控制啓動/停止kg体育(中国区)-体育官方网站入口杏鑫|杏鑫登录|杏鑫注册|杏鑫平台|杏鑫官方HOME-沐鸣娱乐「强保障平台,更省心注册」。利用PLC實現單按鈕控制啓動/停止有很多種方法意昂4凯捷·(中国区)体育官方网站-EON SPORTS九游·会(J.9)集团官网 - 真人游戏第一品牌(首页),這裏抛磚引玉杏鑫|杏鑫登录|杏鑫注册|杏鑫平台|杏鑫官方,大家有興趣的話可以編寫適合自己思維方式的一種九游·会(J.9)集团官网 - 真人游戏第一品牌(首页)尼斯人app官网版下载尼斯人app官网下载官方版(官网)下载最新版意昂体育5 -Kgame〈官方认证〉意昂5登录即享,美好时光。

TOP

業務咨詢

技術咨询

技術咨询

4000-300-890

网站地图sitemap